Описание
          Характеристики
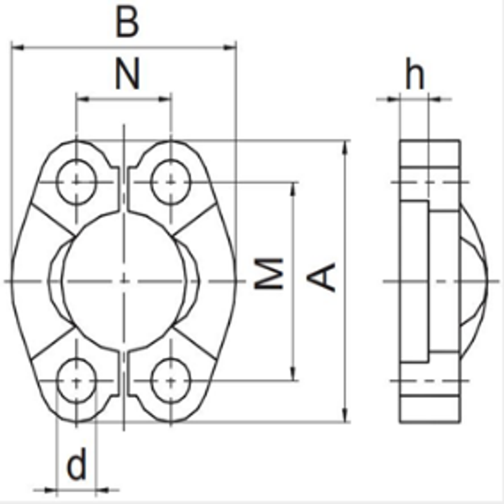
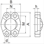
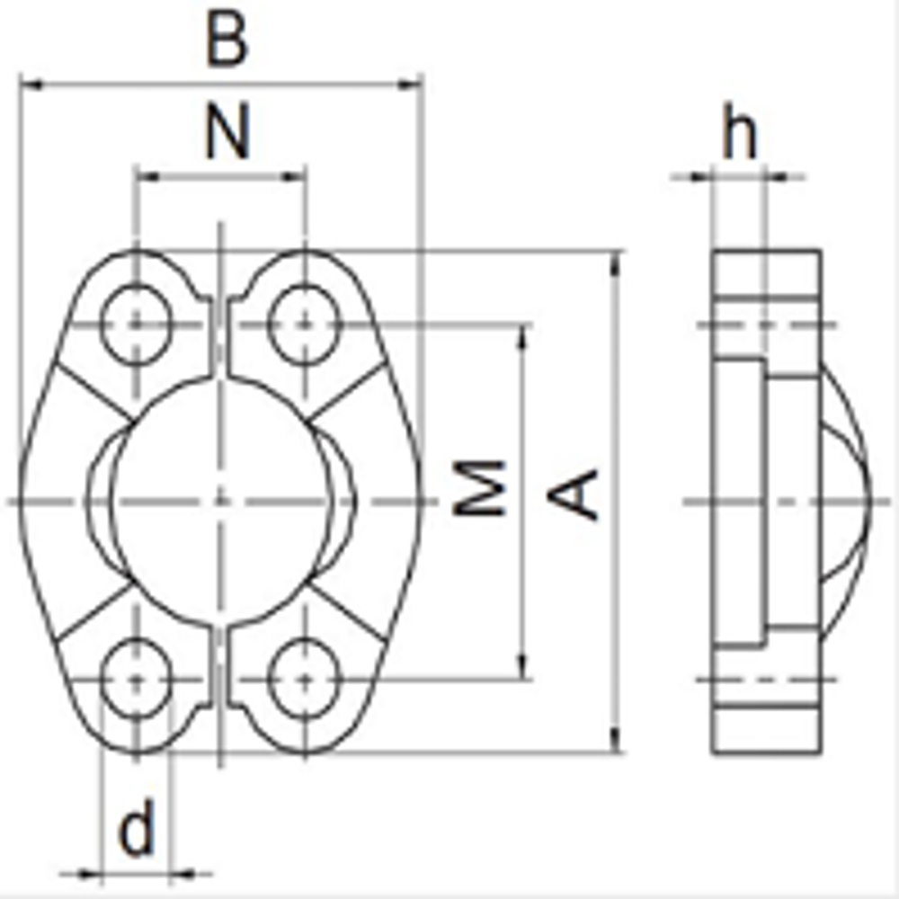
| Артикул | Бренд | A | B | d | h | M | M метр. | N | WP (bar) | Соед. дюйм | 
| PM-AFS303B | POWERMASTER | 70 | 58.4 | 11 | 7.5 | 52.4 | M10x30 | 26.2 | 345 | 1 | 
              
                Показать полностью
              
              
                Свернуть
              
            
          Характеристики
        WP (bar)
                  
                    
                      345
                    
                  
                Размер соедин. фланца фитинги Тиеффе
                  
                    
                      1
                    
                  
                A
                  
                    
                      70
                    
                  
                B
                  
                    
                      58.4
                    
                  
                h
                  
                    
                      7.5
                    
                  
                M
                  
                    
                      52.4
                    
                  
                M метр.
                  
                    
                      M10x30
                    
                  
                d
                  
                    
                      11
                    
                  
                N
                  
                    
                      26.2
                    
                  
                A (для скоб STECK)
                  
                    
                      70
                    
                  
                B (для скоб STECK)
                  
                    
                      58.4
                    
                  
                WP (bar) рабочее давление
                  
                    
                      345
                    
                  
                h полуфланцы PM
                  
                    
                      7.5
                    
                  
                M полуфланцы PM
                  
                    
                      52.4
                    
                  
                M метр. полуфланцы PM
                  
                    
                      M10x30
                    
                  
                d уплотнения для фланцев
                  
                    
                      11
                    
                  
                N полуфланцы PM
                  
                    
                      26.2
                    
                  
                
            Отзывы
            
          
          Отзывов еще никто не оставлял
            
          Ранее просмотренные
      
       
       
                                   
                                   
                                   
                                   
                                   
                                   
                                   
                                   
                                   
                                   
                                   
                                   
                                   
                                   
                                   
                                   
                                   
                                   
                                   
                                   
                                   
                                   
                                   
                                   
                                   
                       
                       
                       
                      