Описание
Используется в гидравлических системах для открытия или закрытия потока в линии трубопровода под высоким давлением.
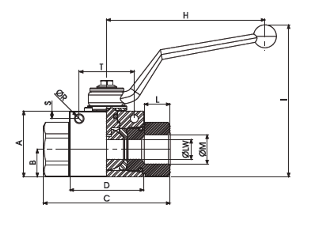
Характеристики
| Артикул | Бренд | 2 | A +0,13 -0,00 | B | C | CH | D (мм) | DN | E | F | G | H | I | L | ØR | SW (мм) | WP (bar) | вес, кг | М | труба |
| VS-BV-2-M18L-DN12-P50 | VERSO | Шаровые краны без отверстий для монтажа | 43 | 18 | 87 | 32 | 48,4 | 13 | 11 | 57 | 37 | 110 | 99,5 | 7,5 | - | 9 | 500 | 0,748 | M26x1.5 | 18L |
Показать полностью
Свернуть
Характеристики
Вес без упаковки, кг
0,748
Порядковый номер таблицы
Шаровые краны без отверстий для монтажа
Размер D (мм)
48,4
Размер F
57
Размер E
11
Размер I
99,5
Размер H
110
Размер B
18
Размер L (мм)
7,5
Размер CH
32
USIT Размер A
43
Размер C
87
WP (bar)
500
Размер M фитинги Каст
M26x1.5
Размер SW фитинги Cohline
9
DN
13
Размер G фитинги Тиеффе
37
D отверстия
-
Размер соедин. (труба) фитинги Тиеффе
18L
USIT Размер A +0,13 -0,00
43
WP (bar) рабочее давление
500
DN условный внутренний диаметр рукава
13
Отзывы
Отзывов еще никто не оставлял
Ранее просмотренные
