Описание
Используется в гидравлических системах для открытия или закрытия потока в линии трубопровода под высоким давлением.
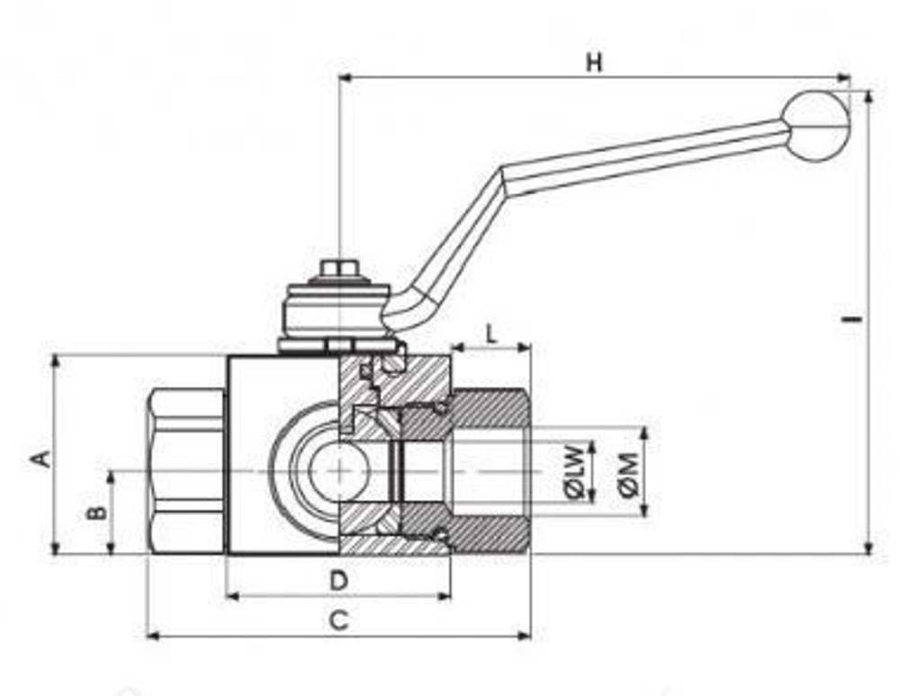
Характеристики
| Артикул | Бренд | A +0,13 -0,00 | B | C | CH | D (мм) | DN | E | F | G | G1 | H | I | L | SW (мм) | WP (bar) | вес, кг | М | размер резьбы |
| VS-BV-3L-BSP014C-P50-C | VERSO | 33 | 14.3 | 69 | 22 | 39,4 | 6 | 10.8 | 47.3 | 26 | 42 | 111 | 90 | 14,8 | 9 | 500 | 0.411 | G1/4 | BSP 1/4" |
Показать полностью
Свернуть
Характеристики
Вес без упаковки, кг
0.411
Размер D (мм)
39,4
Размер F
47.3
Размер E
10.8
Размер I
90
Размер H
111
Размер B
14.3
Размер L (мм)
14,8
Размер резьбы
BSP 1/4"
Размер CH
22
USIT Размер A
33
Размер C
69
WP (bar)
500
Размер M фитинги Каст
G1/4
Размер SW фитинги Cohline
9
DN
6
Размер G фитинги Тиеффе
26
Размер G1
42
USIT Размер A +0,13 -0,00
33
WP (bar) рабочее давление
500
DN условный внутренний диаметр рукава
6
Отзывы
Отзывов еще никто не оставлял
Ранее просмотренные
