Описание
Используется в гидравлических системах для открытия или закрытия потока в линии трубопровода под высоким давлением.
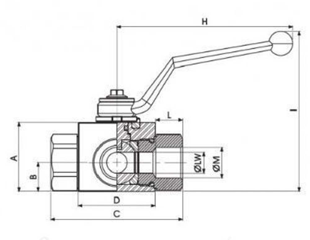
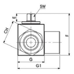
Характеристики
| Артикул | Бренд | A +0,13 -0,00 | B | C | CH | D (мм) | DN | E | F | G | G1 | H | I | L | SW (мм) | WP (bar) | вес, кг | М | труба |
| VS-BV-3L-M22L-DN20-P35 (40) | VERSO | 57 | 23,4 | 110 | 41 | 62,5 | 20 | 14 | 73,5 | 49 | 75 | 180 | 106,5 | 7,5 | 14 | 350 | 1,639 | M30x2 | 22L |
Показать полностью
Свернуть
Характеристики
Вес без упаковки, кг
1,639
Размер D (мм)
62,5
Размер F
73,5
Размер E
14
Размер I
106,5
Размер H
180
Размер B
23,4
Размер L (мм)
7,5
Размер CH
41
USIT Размер A
57
Размер C
110
WP (bar)
350
Размер M фитинги Каст
M30x2
Размер SW фитинги Cohline
14
DN
20
Размер G фитинги Тиеффе
49
Размер соедин. (труба) фитинги Тиеффе
22L
Размер G1
75
USIT Размер A +0,13 -0,00
57
WP (bar) рабочее давление
350
DN условный внутренний диаметр рукава
20
Отзывы
Отзывов еще никто не оставлял
Ранее просмотренные
