Описание
Если вы хотите заказать фитинг из нержавеющей стали AISI 316, замените первые две цифры артикула с 10.... на 11....
Если вы хотите заказать фитинг из нержавеющей стали AISI 316 с гайкой из нержавеющей стали AISI 304, замените первые две цифры артикула с 10.... на 14....
Если вы хотите заказать фитинг из нержавеющей стали AISI 316 с гайкой из нержавеющей стали AISI 304, замените первые две цифры артикула с 10.... на 14....
Характеристики
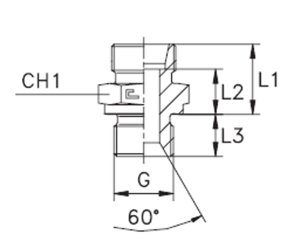
| Артикул | Бренд | CH1 | CH2 | L1 (мм) | L2 (мм) | L3 | L4 | Ø трубы D1 | WP (bar) | резьба G | серия |
| 100304.1 | CAST | 14 | 14 | 15,5 | 8,5 | 8 | 23 | 6 | 315 | 1/8 | L |
Показать полностью
Свернуть
Характеристики
WP (bar)
315
Размер CH1
14
Размер резьбы 5
1/8
Размер L2 (мм)
8,5
Размер L3
8
D трубы M1 D1
6
Серия
L
Размер L1 (мм)
15,5
Размер CH2
14
Размер L4
23
WP (bar) рабочее давление
315
Отзывы
Отзывов еще никто не оставлял
Ранее просмотренные
