Описание
Если вы хотите заказать фитинг из нержавеющей стали AISI 316, замените первые две цифры артикула с 10.... на 11....
Если вы хотите заказать фитинг из нержавеющей стали AISI 316 с гайкой из нержавеющей стали AISI 304, замените первые две цифры артикула с 10.... на 14....
Если вы хотите заказать фитинг из нержавеющей стали AISI 316 с гайкой из нержавеющей стали AISI 304, замените первые две цифры артикула с 10.... на 14....
Характеристики
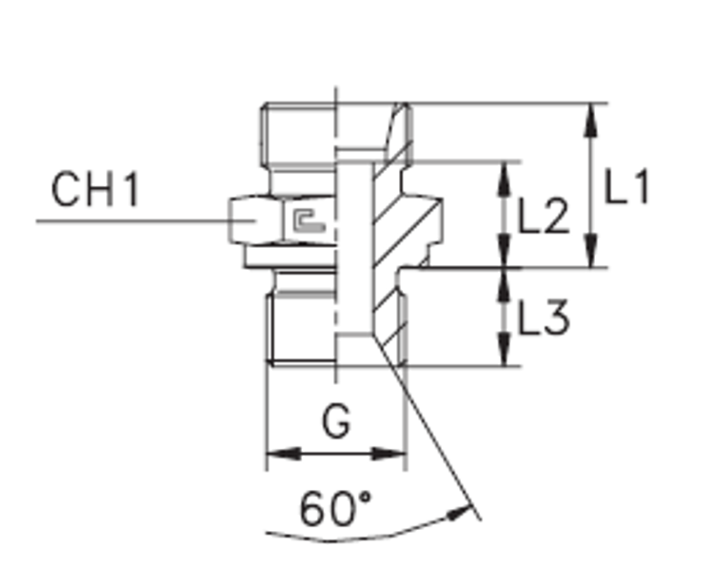
| Артикул | Бренд | CH1 | CH2 | L1 (мм) | L2 (мм) | L3 | L4 | Ø трубы D1 | WP (bar) | резьба G | серия |
| 100308.1 | CAST | 27 | 27 | 21 | 14 | 14 | 29 | 15 | 315 | 1/2 | L |
Показать полностью
Свернуть
Характеристики
WP (bar)
315
Размер CH1
27
Размер резьбы 5
1/2
Размер L2 (мм)
14
Размер L3
14
D трубы M1 D1
15
Серия
L
Размер L1 (мм)
21
Размер CH2
27
Размер L4
29
WP (bar) рабочее давление
315
Отзывы
Отзывов еще никто не оставлял
Ранее просмотренные
