Описание
Если вы хотите заказать фитинг из нержавеющей стали AISI 316, замените первые две цифры артикула с 10.... на 11....
Если вы хотите заказать фитинг из нержавеющей стали AISI 316 с гайкой из нержавеющей стали AISI 304, замените первые две цифры артикула с 10.... на 14....
Если вы хотите заказать фитинг из нержавеющей стали AISI 316 с гайкой из нержавеющей стали AISI 304, замените первые две цифры артикула с 10.... на 14....
Характеристики
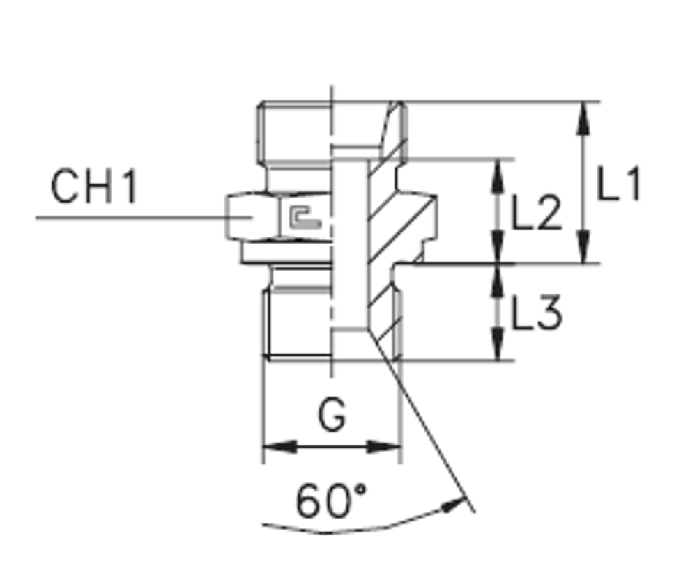
| Артикул | Бренд | CH1 | CH2 | L1 (мм) | L2 (мм) | L3 | L4 | Ø трубы D1 | WP (bar) | резьба G | серия |
| 100311.1 | CAST | 41 | 41 | 25 | 17,5 | 18 | 34 | 28 | 160 | 1 | L |
Показать полностью
Свернуть
Характеристики
WP (bar)
160
Размер CH1
41
Размер резьбы 5
1
Размер L2 (мм)
17,5
Размер L3
18
D трубы M1 D1
28
Серия
L
Размер L1 (мм)
25
Размер CH2
41
Размер L4
34
WP (bar) рабочее давление
160
Отзывы
Отзывов еще никто не оставлял
Ранее просмотренные
