Описание
Если вы хотите заказать фитинг из нержавеющей стали AISI 316, замените первые две цифры артикула с 10.... на 11....
Если вы хотите заказать фитинг из нержавеющей стали AISI 316 с гайкой из нержавеющей стали AISI 304, замените первые две цифры артикула с 10.... на 14....
Если вы хотите заказать фитинг из нержавеющей стали AISI 316 с гайкой из нержавеющей стали AISI 304, замените первые две цифры артикула с 10.... на 14....
Характеристики
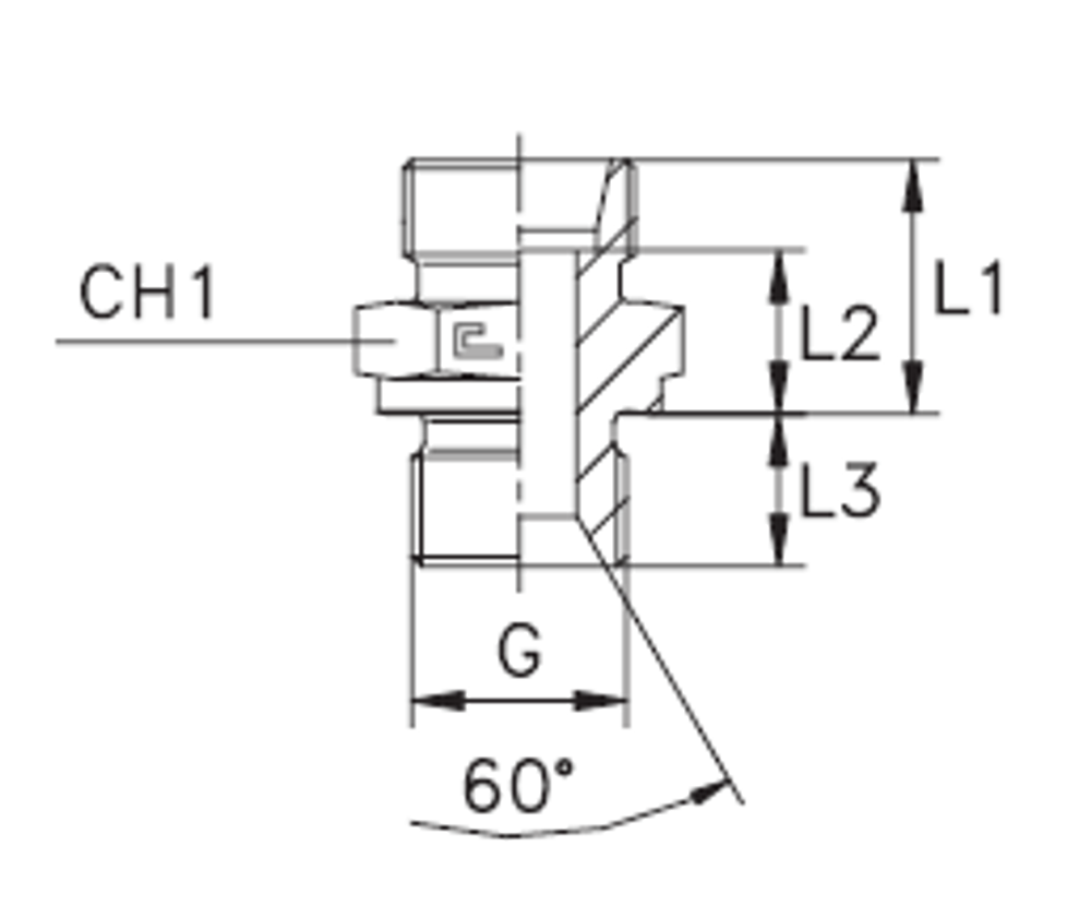
| Артикул | Бренд | CH1 | CH2 | L1 (мм) | L2 (мм) | L3 | L4 | Ø трубы D1 | WP (bar) | резьба G | серия |
| 100337.1 | CAST | 27 | 30 | 26,5 | 18 | 12 | 36,5 | 16 | 400 | 3/8 | S |
Показать полностью
Свернуть
Характеристики
WP (bar)
400
Размер CH1
27
Размер резьбы 5
3/8
Размер L2 (мм)
18
Размер L3
12
D трубы M1 D1
16
Серия
S
Размер L1 (мм)
26,5
Размер CH2
30
Размер L4
36,5
WP (bar) рабочее давление
400
Отзывы
Отзывов еще никто не оставлял
Ранее просмотренные
