Описание
Если Вы хотите заказать фитинг из нержавеющей стали AISI 316, замените первые две цифры артикула с 10.... на 11....
Если Вы хотите заказать фитинг из нержавеющей стали AISI 316 с гайкой из нержавеющей стали AISI 304, замените первые две цифры артикула с 10.... на 14....
Позиция не соответствует норме ISO 8434-1.
Если Вы хотите заказать фитинг из нержавеющей стали AISI 316 с гайкой из нержавеющей стали AISI 304, замените первые две цифры артикула с 10.... на 14....
Позиция не соответствует норме ISO 8434-1.
Характеристики
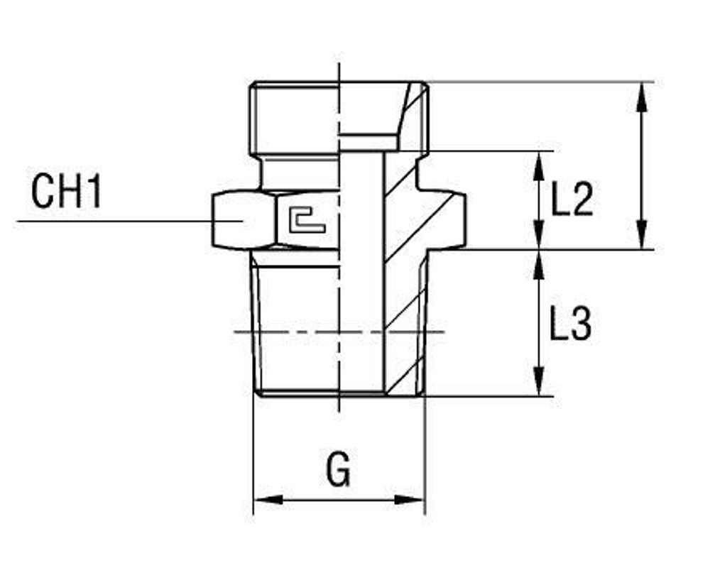
| Артикул | Бренд | CH1 | CH2 | L1 (мм) | L2 (мм) | L3 | L4 | Ø трубы D1 | WP (bar) | резьба G | серия |
| 101717.1 | CAST | 22 | 24 | 22 | 14,5 | 12 | 30,5 | 12 | 630 | 3/8 | S |
Показать полностью
Свернуть
Характеристики
WP (bar)
630
Размер CH1
22
Размер резьбы 5
3/8
Размер L2 (мм)
14,5
Размер L3
12
D трубы M1 D1
12
Серия
S
Размер L1 (мм)
22
Размер CH2
24
Размер L4
30,5
WP (bar) рабочее давление
630
Отзывы
Отзывов еще никто не оставлял
Ранее просмотренные
