Описание
Если Вы хотите заказать фитинг из нержавеющей стали AISI 316, замените первые две цифры артикула с 10.... на 11....
Если Вы хотите заказать фитинг из нержавеющей стали AISI 316 с гайкой из нержавеющей стали AISI 304, замените первые две цифры артикула с 10.... на 14....
Позиция не соответствует норме ISO 8434-1.
Если Вы хотите заказать фитинг из нержавеющей стали AISI 316 с гайкой из нержавеющей стали AISI 304, замените первые две цифры артикула с 10.... на 14....
Позиция не соответствует норме ISO 8434-1.
Характеристики
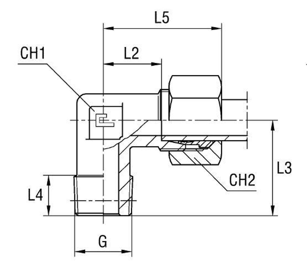
| Артикул | Бренд | CH1 | CH2 | L2 (мм) | L3 | L4 | L5 | Ø трубы D1 | WP (bar) | резьба G | серия |
| 102007 | CAST | 17 | 22 | 17 | 28 | 12 | 32 | 12 | 315 | 3/8 | L |
Показать полностью
Свернуть
Характеристики
WP (bar)
315
Размер CH1
17
Размер резьбы 5
3/8
Размер L2 (мм)
17
Размер L3
28
D трубы M1 D1
12
Серия
L
Размер CH2
22
Размер L4
12
Размер L5
32
WP (bar) рабочее давление
315
Отзывы
Отзывов еще никто не оставлял
Ранее просмотренные

