Описание
Если Вы хотите заказать фитинг из нержавеющей стали AISI 316, замените первые две цифры артикула с 10.... на 11....
Если Вы хотите заказать фитинг из нержавеющей стали AISI 316 с гайкой из нержавеющей стали AISI 304, замените первые две цифры артикула с 10.... на 14....
Если Вы хотите заказать фитинг из нержавеющей стали AISI 316 с гайкой из нержавеющей стали AISI 304, замените первые две цифры артикула с 10.... на 14....
Характеристики
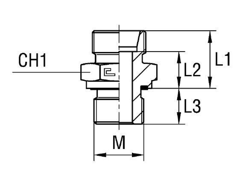
| Артикул | Бренд | CH1 | CH2 | L1 (мм) | L2 (мм) | L3 | L4 | Ø трубы D1 | WP (bar) | резьба M | серия |
| 100633.1 | CAST | 27 | 27 | 22 | 15 | 14 | 30 | 15 | 400 | 22x1.5 | L |
Показать полностью
Свернуть
Характеристики
WP (bar)
400
Размер CH1
27
Размер L2 (мм)
15
Размер L3
14
D трубы M1 D1
15
Серия
L
Размер L1 (мм)
22
Размер резьбы 12
22x1.5
Размер CH2
27
Размер L4
30
WP (bar) рабочее давление
400
Отзывы
Отзывов еще никто не оставлял
Ранее просмотренные

