Описание
Если Вы хотите заказать изделие из нержавеющей стали, замените первые две цифры артикула с 20.... на 21....
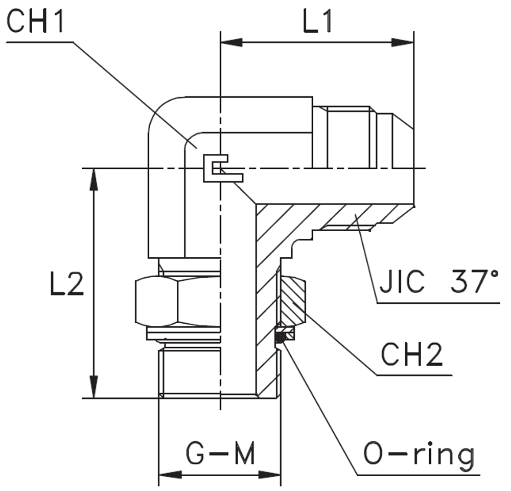
Характеристики
| Артикул | Бренд | CH1 | CH2 | L1 (мм) | L2 (мм) | Ø трубы D1 | Ø трубы W | WP (bar) | резьба G | резьба JIC 37° A | серия |
| 204427.3 | CAST | 48 | 50 | 59 | 60 | 38 | 1 1/2 | 200 | 1 1/4 | 1 7/8-12 | Универсальная |
Показать полностью
Свернуть
Характеристики
WP (bar)
200
Размер CH1
48
Размер резьбы 5
1 1/4
Размер L2 (мм)
60
D трубы M1 D1
38
D трубы W
1 1/2
Серия
Универсальная
Размер L1 (мм)
59
Размер резьбы 9
1 7/8-12
Размер CH2
50
WP (bar) рабочее давление
200
Отзывы
Отзывов еще никто не оставлял
Ранее просмотренные
