Описание
Если Вы хотите заказать фитинг из нержавеющей стали AISI 316, замените первые две цифры артикула с 10.... на 11....
Если Вы хотите заказать фитинг из нержавеющей стали AISI 316 с гайкой из нержавеющей стали AISI 304, замените первые две цифры артикула с 10.... на 14....
Если Вы хотите заказать фитинг из нержавеющей стали AISI 316 с гайкой из нержавеющей стали AISI 304, замените первые две цифры артикула с 10.... на 14....
Характеристики
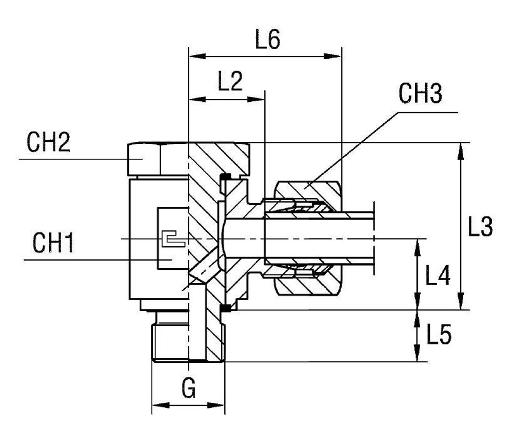
| Артикул | Бренд | CH1 | CH2 | CH3 | L1 (мм) | L2 (мм) | L3 | L4 | L5 | L6 | Ø трубы D1 | WP (bar) | Вид | резьба G | серия |
| 101308 | CAST | 32 | 30 | 27 | 29 | 22 | 46,5 | 21,5 | 14 | 37 | 15 | 315 | X | 1/2 | L |
Показать полностью
Свернуть
Характеристики
WP (bar)
315
Размер CH1
32
Размер резьбы 5
1/2
Размер L2 (мм)
22
Размер L3
46,5
D трубы M1 D1
15
Серия
L
Размер L1 (мм)
29
Вид
X
Размер CH2
30
Размер L4
21,5
Размер CH3
27
Размер L5
14
Размер L6
37
WP (bar) рабочее давление
315
Отзывы
Отзывов еще никто не оставлял
Ранее просмотренные

