Описание
Если Вы хотите заказать фитинг из нержавеющей стали AISI 316, замените первые две цифры артикула с 10.... на 11....
Если Вы хотите заказать фитинг из нержавеющей стали AISI 316 с гайкой из нержавеющей стали AISI 304, замените первые две цифры артикула с 10.... на 14....
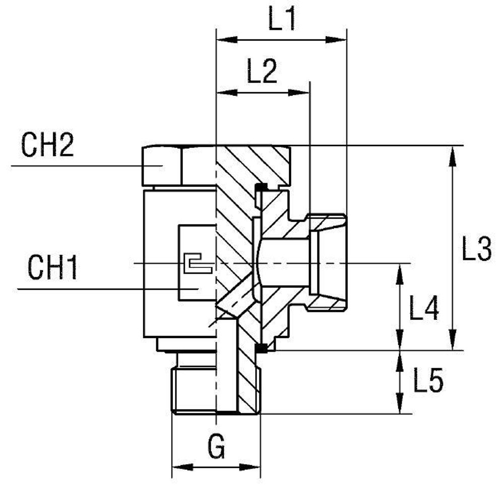
Вид Х - резиновое уплотнение. Вид Y - металлическое уплотнение.
Если Вы хотите заказать фитинг из нержавеющей стали AISI 316 с гайкой из нержавеющей стали AISI 304, замените первые две цифры артикула с 10.... на 14....
Вид Х - резиновое уплотнение. Вид Y - металлическое уплотнение.
Характеристики
| Артикул | Бренд | CH1 | CH2 | CH3 | L1 (мм) | L2 (мм) | L3 | L4 | L5 | L6 | Ø трубы D1 | WP (bar) | Вид | резьба G | серия |
| 101320.1 | CAST | 41 | 36 | 36 | 36 | 25,5 | 54 | 24 | 16 | 47 | 20 | 250 | X | 3/4 | S |
Показать полностью
Свернуть
Характеристики
WP (bar)
250
Размер CH1
41
Размер резьбы 5
3/4
Размер L2 (мм)
25,5
Размер L3
54
D трубы M1 D1
20
Серия
S
Размер L1 (мм)
36
Вид
X
Размер CH2
36
Размер L4
24
Размер CH3
36
Размер L5
16
Размер L6
47
WP (bar) рабочее давление
250
Отзывы
Отзывов еще никто не оставлял
Ранее просмотренные

