Описание
Если Вы хотите заказать изделие из нержавеющей стали, замените первые две цифры артикула с 20.... на 21....
Позиция доступна только в плановых заказах.
Позиция доступна только в плановых заказах.
Характеристики
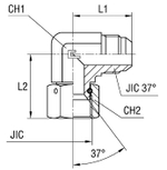
| Артикул | Бренд | CH1 | CH2 | L1 (мм) | L2 (мм) | Ø трубы D1 | Ø трубы W | WP (bar) | резьба JIC 37° A | серия |
| 204007.3 | CAST | 33 | 41 | 46 | 51,4 | 25 | 1 | 290 | 1 5/16-12 | Универсальная |
Показать полностью
Свернуть
Характеристики
WP (bar)
290
Размер CH1
33
Размер L2 (мм)
51,4
D трубы M1 D1
25
D трубы W
1
Серия
Универсальная
Размер L1 (мм)
46
Размер резьбы 9
1 5/16-12
Размер CH2
41
WP (bar) рабочее давление
290
Отзывы
Отзывов еще никто не оставлял
Ранее просмотренные
