Описание
Если Вы хотите заказать изделие из нержавеющей стали, замените первые две цифры артикула с 20.... на 21....
Позиция доступна только в плановых заказах.
Позиция доступна только в плановых заказах.
Характеристики
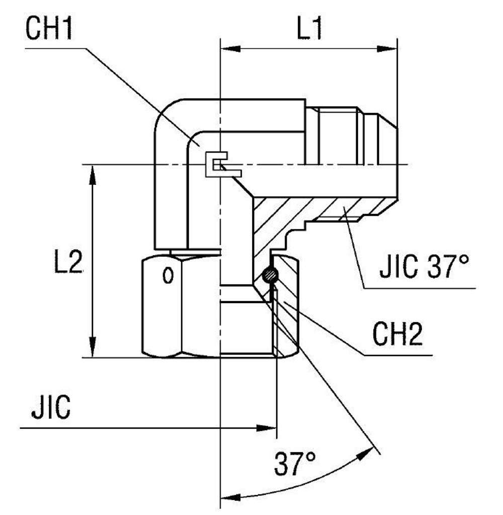
| Артикул | Бренд | CH1 | CH2 | L1 (мм) | L2 (мм) | Ø трубы D1 | Ø трубы W | WP (bar) | резьба JIC 37° A | серия |
| 204005.3 | CAST | 22 | 27 | 37 | 41,6 | 14-15-16 | 5/8 | 350 | 7/8-14 | Универсальная |
Показать полностью
Свернуть
Характеристики
WP (bar)
350
Размер CH1
22
Размер L2 (мм)
41,6
D трубы M1 D1
14-15-16
D трубы W
5/8
Серия
Универсальная
Размер L1 (мм)
37
Размер резьбы 9
7/8-14
Размер CH2
27
WP (bar) рабочее давление
350
Отзывы
Отзывов еще никто не оставлял
Ранее просмотренные
