Описание
Если Вы хотите заказать фитинг из нержавеющей стали AISI 316, замените первые две цифры артикула с 10.... на 11....
Если Вы хотите заказать фитинг из нержавеющей стали AISI 316 с гайкой из нержавеющей стали AISI 304, замените первые две цифры артикула с 10.... на 14....
Если Вы хотите заказать фитинг из нержавеющей стали AISI 316 с гайкой из нержавеющей стали AISI 304, замените первые две цифры артикула с 10.... на 14....
Характеристики
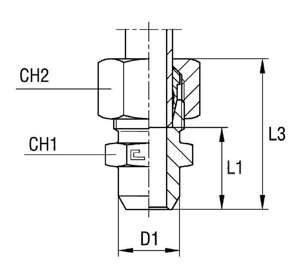
| Артикул | Бренд | CH1 | CH2 | D1 | L1 (мм) | L2 (мм) | L3 | Ø трубы D1 | WP (bar) | серия |
| 105506 | CAST | 17 | 19 | 14 | 18 | 25 | 33 | 10 | 315 | L |
Показать полностью
Свернуть
Характеристики
WP (bar)
315
Размер CH1
17
Размер L2 (мм)
25
Размер L3
33
D трубы M1 D1
10
Серия
L
Размер L1 (мм)
18
Размер D1
14
Размер CH2
19
WP (bar) рабочее давление
315
Отзывы
Отзывов еще никто не оставлял
Ранее просмотренные

